🔥 DCS Course Starts Soon → REGISTER NOW 🚀 Distributed Control Systems Training

What is IEC 61508 ?

What is IEC 61508? IEC 61508 (previously IEC 1508) is a seven-part standard that defines specific direction and guidelines on the functional safety of electrical/electronic/programmable electronic (E/E/PES) safety related systems.…

Instrument Turndown Ratio

Instrument Turndown Ratio An important performance parameter for transmitter instruments is something often referred to as turndown or rangedown. “Turndown” is defined as the ratio of maximum allowable span to…

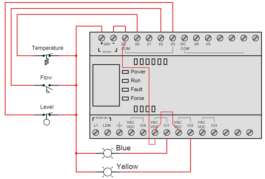
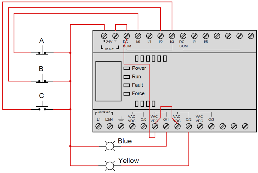
Logic Gates in PLC Ladder Logic

Logic Gates in PLC Ladder Logic We can construct simply logic functions for our hypothetical lamp circuit, using multiple contacts, and document these circuits quite easily and understandably with additional…

How to Commission WirelessHART Transmitter With Gateway

WirelessHART Transmitter With Gateway This guide is intended to give an idea on how to use 375/475 Field Communicator to configure Rosemount wireless device to be connected to wireless gateway…

Calibration : Up-tests and Down-tests

Calibration : Up-tests and Down-tests Instruments are calibrated to measure the process variables in a fixed range of scale. All instruments are assumed to be Linear if the physical quantity…

Error sources creating uncertainty in Calibration

Through measurement, we try to obtain the value of an unknown parameter. However this measured value cannot be the actual or true value. If the measured value is very close…

As-found and As-left Documentation during Calibration

As-found and as-left Documentation during Calibration Calibration is the comparison of a measurement device (an unknown) against an equal or better standard. A standard in a measurement is considered the…

Advantages and Disadvantages of Pneumatic Instruments

Advantages and Disadvantages of Pneumatic Instruments The disadvantages of pneumatic instruments are painfully evident to anyone familiar with both pneumatic and electronic instruments. Sensitivity to vibration, changes in temperature, mounting…

Difference between Invasive, Non-invasive, Intrusive & Non-intrusive

Invasive Sensor will be in contact with process flow and the Intrusive Sensor will be mounted on the pipeline but it can be in contact or no contact with flow.

Gas Analyzer Sampling System

For any gas analysis, the collection of sample gas from the pipeline is very important feature. The sampling system equipments should be able to continuously purify and deliver these gas…