🔥 DCS Course Starts Soon → REGISTER NOW 🚀 Distributed Control Systems Training

4-wire Transmitters Current Loops

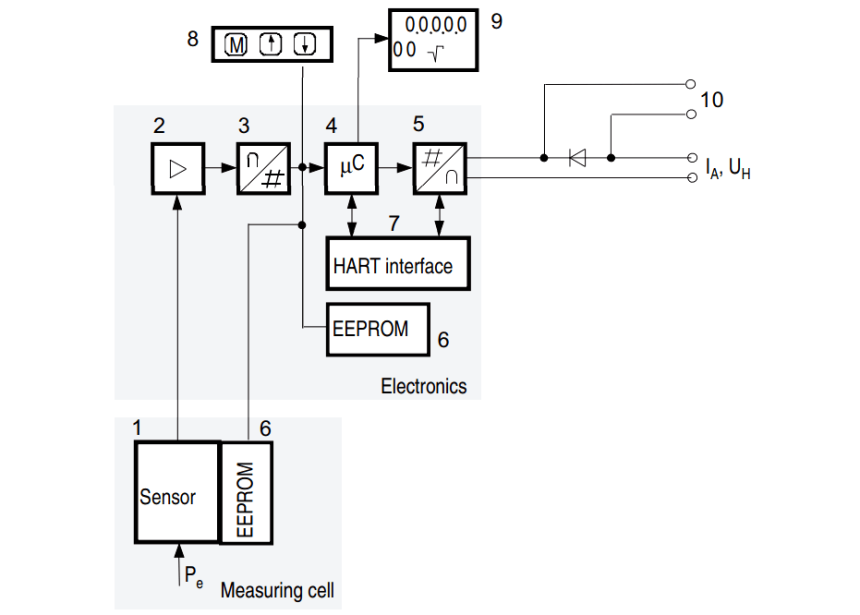
4-wire (“self-powered”) Transmitter current loops DC electric current signals may also be used to communicate process measurement information from transmitters to controllers (PLC/DCS), indicators, recorders, alarms, and other input devices.…

Self Actuated Pressure Control Valve Functional Testing

SELF ACTUATED PRESSURE CONTROL VALVE FUNCTIONAL TESTING 1) Pressure Reducing Method Test Equipment Required :- Regulator Test Gauge Typical Test Set-up Functional Testing Procedure a. Check instrument data, check for…

Thermocouples Green Rot Effect

Thermocouples Green Rot Effect Type "K" thermocouples are widely used for temperature measurement and control up to about 2000 Deg F. They operate very well in oxidizing atmospheres. However, if…

DCS Controllers to Output Current Loops

The simplest form of 4-20 mA current loop is the type used to represent the output of a process controller, sending a command signal to a final control element. Here,…

Sand Probe Functional Testing

Sand Probe Functional Testing Test Equipment:- Gauges Pressure Regulator Hydraulic Pump  Typical Test Set.up Functional Testing Procedure : a. Check the manufacturer datasheet / instrument nameplate b. Hook-up instrument as…

Pig Signalling Switches Functional Testing

Pig Signalling Switches Functional Testing Test Equipment:- i.) Multimeter Typical Test Set-up Functional Testing Procedure a. Ensure pig detector is as per data sheets. Inspect for any physical damage. b.…

Pressure Safety Valves Functional Testing

PRESSURE SAFETY/RELIEF VALVES FUNCTIONAL TESTING Test Equipment required: Test GaugeRegulatorRelief Valves Test Jig Typical Test Setup Functional Testing Procedure : a. Check and ensure instrument complies to datasheets. Check the…

Solenoid Valve Functional Testing

Here we are discussing how to check or functional test a solenoid valve using instrument air supply. Solenoid Valve Testing The air supply is connected to the Air Filter Regulator…

Differential Pressure Switch Calibration Procedure

Pressure Differential Switch Calibration Test Equipment Required: Pneumatic Calibration Digital Multimeter Test Gauge Typical Test Set-up  Calibration Procedure a. Check and confirm instrument range as per specification. b. Hook-up instrument…

4-20mA Transmitters Calculations

How-to do 4-20mA Transmitters calculations easily. This articles provides Industrial Instrumentation 4-20mA calculations with easy examples. 4-20mA Transmitters Calculations Given a pressure transmitter with a measurement range of 150 to…