🔥 Free Foundation Fieldbus Course → REGISTER NOW 🚀 Automation Training

How to Avoid Process Downtime ?

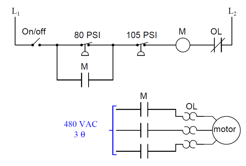
Industrial process control is everywhere. Sometimes it is dangerous or complex. In other cases it may be relatively mundane. In all industrial processes, though, maintaining operation is key. Stakeholders rely…

Landline Telemetry Objective Questions

Instrumentation Tools assists you with a complete guide of objective questions which mainly targets the aspirants of Electrical, Electronics and Instrumentation engineering Streams to crack the competitive exams and to…

Difference between Absolute, Gauge and Differential Pressure Transmitters

Difference between Absolute, Gauge and Differential Pressure Transmitters To select the right pressure sensor for a specific application besides the pressure range first of all the type of pressure measurement…

Time Division Multiplexing Objective Questions

Instrumentation Tools assists you with a complete guide of objective questions which mainly targets the aspirants of Electrical, Electronics and Instrumentation engineering Streams to crack the competitive exams and to…

Thermocouple Cold Junction Compensation

For a Thermocouple, Temperature should be measured with the cold junction at 0°C or 32°F (At thermocouple terminated side i.e. transmitter). Meaning that we have to maintain 0°C or 32°F at…

Telemetry Systems Objective Questions

Instrumentation Tools assists you with a complete guide of objective questions which mainly targets the aspirants of Electrical, Electronics and Instrumentation engineering Streams to crack the competitive exams and to…

Pressure Transmitter Troubleshooting Tips

The below list provides the list of general pressure transmitter problems and their possible corrective actions. Transmitter milliamp reading is zero Verify power is applied to signal terminals Check power…

Frequency Division Multiplexers Objective Questions

Instrumentation Tools assists you with a complete guide of objective questions which mainly targets the aspirants of Electrical, Electronics and Instrumentation engineering Streams to crack the competitive exams and to…

Data Transmission Objective Questions

Instrumentation Tools assists you with a complete guide of objective questions which mainly targets the aspirants of Electrical, Electronics and Instrumentation engineering Streams to crack the competitive exams and to…

Interview Questions for Instrument Engineers

Guide for Industrial Instrumentation Interview Questions and Answers. This article provides Interview Questions for Instrument Engineers to crack the job. Instrument Engineers Questions 1. Why do we use pipelines for…